一、項目背景:
連續供電是生產的產能、品質和安全的重要保障,晃電發生時,常常伴隨電壓暫降,超過大約80毫秒的電壓暫降會引起各類高低壓電機、變頻器等設備報警停機,導致生產系統停產,嚴重釀成生產事故。現采用的備自投方案,擾動時切換較慢,會引起負載停機,有安全隱患以及停機風險,為了保證整體配電網的無擾動供電連續,需在高壓側增加無擾動快切系統和負載側增加抗晃電模塊的整體解決方案。
高壓配電側,是由110kv變電站與35kv變電站之間10kv兩條線路,兩站距離300米左右,正常運行時35kv站內10kv高壓柜由110kv變電站10kv供電,35kv處于熱備狀態為兩進線一主一備結構,10KV母線均帶有各類電機、變頻器和變壓器等混合負載,任何一路電源擾動或失壓均影響負載連續運行。
低壓配電側,低壓400v設備包括(450kw風機3臺,255Kw水泵2臺,132kw水泵2臺),低壓變壓器2000kvA4臺,2500KvA2臺,1000kvA1臺,對于低壓負載側的重要電機、變頻器等設備,需要增加DCM621KH再起式抗晃模塊和MSpower 低電壓穿越裝置作為快切切換風險的后備保障。
二、方案概述:
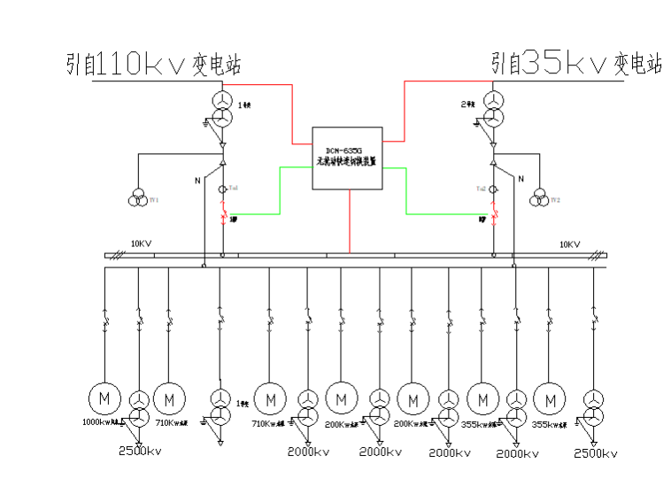
1、 方案圖
通過對廠區配電網的整體理解,擬畫了配電說明簡示圖,如下圖1:

圖1
變電所兩10KV進線來自于110KV變電所,以及35KV的變電所,10KV母線帶有各類電機和變壓器等混合負載,同時,饋出多個回路到低壓配電側及其它變電所。400V低壓母線分別帶混合負載。風機,水泵等各類電機、變頻器和軟啟動器混合負載。
2、方案架構
10KV變電所為廠區10KV總配電側,向下到400V低壓配電側和各個變電所。根據現場配電運行的當前情況,結合現場施工安裝的可行性,考慮到35KV總降的變壓器容量問題,現擬定一套抗晃電解決方案。
方案:
10KV進線側配置DCM-635G高壓無擾動快切。
0.4kV負載側,為了保證生產工藝的連續性,根據實際需求,針對一些關鍵的工藝節點,嚴格要求生產過程中不停機的重要設備,需要配置低壓抗晃電裝置,接觸器控制電機回路配置DCM621KH再起式抗晃電模塊,低壓變頻器配置低電壓穿越裝置(非關鍵變頻加裝DCM621KH抗晃電模塊)。
本方案中,考慮35kV進線及變壓器容量限制,現場的容量不足以支撐全部的母線設備工作,所以在切換的過程中,通過DCM635G裝置的智能卸載出口,卸載掉非重要負荷,保證重要負荷正常運行。
另外現場的低壓側斷路器帶有瞬時脫扣,當高壓切換過程中由于短暫的停電,導致低壓側的斷路器因脫扣跳閘,致使低壓母線失電,現場建議拆除瞬時失壓脫扣,400V低壓側可以配備低壓備自投,來實現掉電的切換。
三、系統構建
1、10kV變電所進線快切方案
10KV變電所電源快速切換系統以下簡稱“10KV系統”由DCM635G高壓電源無擾動快切裝置配合現場的自己的真空斷路器完成,下圖2為方案構建,圖示做了部分簡化,配電結構如下圖所示:

圖2
圖中,來自“110KV變電站”簡稱為進線一,來自“35KV變電站”簡稱為進線二。
正常工作時,進線一帶整段10kV母線,進線二帶處于熱備用狀態,當母線失壓自動快速切斷主進線線路,快速合上備用開關,由另一路正常供電線路帶整段10kV母線。
DCM635G無擾動快切裝置對兩路進線及兩段母線電壓電流的幅值、頻率、相位等關鍵電參數進行采集,對當前運行模式進行智能識別,裝置具有手動切換、保護起動、失壓起動、誤跳起動等多種起動方式,具有快切、同期、殘壓、長延時等多種合閘策略,確保備用進線間相互無擾動快切。
切換工作過程簡述如下:
>正常工況,進線一有壓,進線二有壓,進線一開關“1QF”合閘,進線二開關“2QF”分閘,無擾動快切裝置充電完成后進入待機狀態。
>當進線一出現電壓暫降或停電,無擾動快切系統快速跳開開關“1QF”,并快速合上備用進線開關“2QF”,由進線二帶載,保證供電連續性,切換過程中負載設備不停機。
>當進線一恢復供電,根據需要,手動切換恢復到初始狀態。
>因在切換過程中,35kV的系統不足以帶動所有母線上設備,所以在切換的過程中,通過DCM-635G裝置的卸載出口功能,切掉非重要負荷,完成無擾動快切方案。裝置如圖3

圖3
2、 低壓負載側抗晃電方案
現場馬達保護裝置具有輔助的再起功能,啟用此功能時,需要對線路進行改造,并且馬達保護裝置和現場DCS的兼容性存在不確定性。再起式抗晃電模塊作為電動機、變頻器的專業再起裝置,現場安裝直接并聯與控制回路,無需改造線路,并且體積小,磁吸式設計現場安裝方便,建議配置DCM621KH作為關鍵工藝節點的保障方案。
3、直起式電動機抗晃電方案
針對低壓負載側非常重要的直起式電動機,為了保證在極限情況下,確保這些重要設備連續工作,需要配置抗晃電模塊作為快切方案的補充方案。
模塊工作原理為,通過采集負載的工作電源、接觸器線圈電壓以及控制回路電壓形成復合判據,起動結束后延時5秒進入抗晃待機模式,當接觸器位置信號發生了變化時,內部超級電容系統自動投入,系統開始計時,在設定的最長晃電時間內,如果系統自動恢復了供電,經再起動延時起動電機,恢復晃電前正常工況,從而保證生產正常進行。
重要直起式電機設備,配置DCM621KH抗晃模塊,方案如下圖4:

圖4
工作過程簡述如下:
正常工作時,當手動或遠程起動電機后,KM線圈得電,KM接觸器吸合, DCM621KH檢測到KM吸合狀態,開始充電,5S充電結束后,進入抗晃待機模式,晃電發生后,電壓暫降,KM主動釋放,電機停機, DCM621KH內部超級電容自動投入,為抗晃電模塊正常供電,系統開始計時,在設定的最長晃電時間內(最長9秒),如果系統自動恢復了供電,經再起動延時,裝置RS繼電器吸合,自動再起動電機,恢復晃電前的正常工況。
4、 變頻器抗晃電方案
針對重要的變頻設備,根據連續工作要求等級的不同,有兩套方案可選,如果允許短暫停機,配置DCM621KH抗晃電模塊,如果不允許停機,配置MSpower低電壓穿越裝置。
方案一,配置DCM621KH抗晃模塊,方案圖5如下:

圖5
工作過程簡述如下:
正常工作時,當手動或遠程起動變頻器后,1KA1線圈得電,1KA1接觸器吸合,DCM621KH檢測到1KA1吸合狀態,開始充電,5S充電結束后,進入抗晃待機模式,晃電發生后,電壓暫降,1KA1主動釋放,變頻器停機,DCM621KH的AL繼電器打開,閉鎖“變頻器故障閉鎖信號”輸出,DCM621KH內部超級電容自動投入,為抗晃電模塊正常供電,系統開始計時,在設定的最長晃電時間內(最長9秒),如果系統自動恢復了供電,裝置RE復位繼電器閉合,復位變頻器故障,經再起動延時,裝置RS繼電器吸合,自動再起動變頻器,恢復晃電前的正常工況。
方案二,配置MSpower低電壓穿越裝置。
對于現場安裝的變頻器,為了保證晃電時不停機,需要配置MSpower低電壓穿越裝置。
4.1 MSpower裝置結構:
MSpower裝置由主機、觸摸屏顯示單元、超級電容箱及直流配電系統組成。
主機及觸摸顯示單元用來顯示交流電源、直流輸出電流、運行工況、歷史記錄、系統設置、故障信息、帶時標的低電壓穿越信息以及成功穿越統計等,同時實現與外部聯鎖以及整套裝置的實時自檢,如下圖6

圖6
電壓暫降控制主機為整個裝置的核心單元,完成超級電容的充電管理,電網監視,系統自檢等。將三相交流整流后經過隔離變換將直流能量預充DC 520V±5%。當廠用電在±10%以內波動時,電壓暫降主機不會對給煤機變頻器直流母線供電;當三相交流跌落到90%(360V)以下時,電壓暫降主機自動瞬時輸出,保證直流母線恢復到正常運行范圍。
超級電容箱,采用進口超級法拉電容,通過主機對超級電容進行充電管理,完成恒流、恒壓、涓流等多種充電模式,同時帶有自動溫度管理系統,以及保護均壓系統等。
直流輸出回路主要有品牌直流斷路器、放電檢測等組成。每個直流配電回路對應一臺變頻器。
4.2、工作原理:
裝置結構原理圖如下圖7:

圖7
三相交流電能經斷路器QF1進入三相整流回路,脈動直流經限流電阻對C1預充電,預充結束后通過直流接觸器KM1旁路限流電阻對電容C1滿荷充電。電感L1與Q1和Q2構成BOOST 型式的升壓電路,將C1上的直流電荷泵到更高電壓對C2進行充電,并經預充限流電阻對電容C3充電,經晶閘管及二極管防逆流回路到直流接觸器后經斷路器和熔斷器,送入變頻器的直流母線。
正常工作電壓時,變頻器通過內部橋式整流的直流電源維持變頻器正常工作, BOOST 升壓電路處于待機狀態;當電網電壓發生瞬時跌落并達到設定值時(默認80%,可整定), BOOST電路迅速投入運行,輸出穩定的直流電壓,支撐變頻器直流母線的電壓穩定,從而維持變頻電機的轉速和轉矩。待電網電壓恢復之后(默認90%,可整定),BOOST升壓電路自動退出,變頻器繼續內部整流供電工作。
本低電壓穿越裝置為旁路運行方式,原變頻器交流供電線路不做調整,也不需對變頻器進行新的設置,只需要就地安裝在原變頻控制柜旁即可。現場可引入直流屏直接為低電壓穿越裝置供電。
四、功能特點及參數
1、無擾動快速切換系統
基本功能
>裝置適用于雙進線結構
>具有手動起動、保護起動、失壓起動、誤跳起動、無流起動、逆功率起動及頻率異常起動等多種起動方式
>裝置具有正常切換、事故切換、非工況切換(失壓、開關誤跳)功能
>裝置具有并聯、串連、同時三種開關切換順序選擇
>裝置具有優先級的快速、同捕、殘壓、長延時切換
輔助功能
>區內外智能切換閉鎖識別
>備用電源失電
>開關異常閉鎖
>合閘回路測時
>智能故障錄波
>全息黑匣子記錄
>裝置自檢故障告警
>PT斷線
>母聯開關電流保護(母聯方式)
>智能卸載出口(選配)
>定值遠方召喚和修改
資源及配置
>模擬量:八路電壓量輸入(二路進線電壓+三路母線1段電壓+三路母線2段電壓)
九路電流量輸入(六路進線電流+三路母聯電流)
>開入量:裝置滿配有30路開入量
>開出:裝置滿配有22路繼電器出口
通訊功能
>兩路標準RS485多機通訊口
>兩路工業以太網口端口
>支持單網、雙網通訊,能夠完全實現網絡的冗余互備
>一路打印接口,兼容多種打印機
>IEC-60870-5-103(串行通訊模式)、IEC-60870-5-103(工業以太網通訊模式)、MODBUS-RTU,MODBUS-TCP標準通信規約
GPS對時功能
>裝置通過RS485差分電平支持1PPS和IRIG-B碼對時模式,誤差小于1ms,同時支持軟件后臺對時。
裝置特點
>采用了雙核32位DSP微處理器,快切內核和人機界面內核獨立
>實時多任務操作系統及C++編程技術,可實現在線編程
>開關合閘時間精準統計,自動適應開關老化及開關更換
>實時系統自檢,系統工作電源、AD狀態、內存狀態實時自檢,確保穩定可靠
>抗干擾設計,最高EMC電磁兼容等級試驗,軟硬件復合閉鎖架構
>大屏幕雙顯示(液晶漢化顯示和LED顯示),方便運行人員巡檢
>硬件互換性好,方便用戶維護及減少備件的數量
>采用6U、19/3英寸標準機箱,背插式結構,可就地安裝在開關柜上或集中組屏
額定參數
>裝置電源:AC/DC 86~265V
>操作電壓:DC 220V 、DC 110V或AC220V(允許偏差+15%,-20%)
>交流電壓:100V或380V(訂貨時需說明)
>交流電流:5A或1A(訂貨時需說明)
>適用頻率: 50Hz
功率消耗
>直流回路 :<10W(正常工作時);<15W(動作時)。
>交流電壓回路 :<0.5VA/相
>交流電流回路 :<1VA/相(In=5A);
<0.5VA/相(In=1A)。
過載能力
>交流電壓: 1.2倍額定電壓連續工作
>保護電流: 2倍額定電流連續工作
10倍額定電流,允許10 s
40倍額定電流,允許1 s
測量范圍及精度
>電壓元件 :1% Un~120% Un
>電流元件 :0.05In~20In
>頻 率 :30.00Hz~65.00Hz
>時間元件 :0.00S~100.00S
>電壓電流精度 :0.5級
>頻率精度 :0.02Hz
>角度精度 :0.2度
>SOE分辨率 :≤2ms
>合閘測時 :≤2ms
>GPS授時 :≤1ms
整定值精度
>電流及電壓定值 :≤±2.5%整定值
>頻率定值 :≤±0.02Hz
>角度定值 :角差定值誤差:±0.2°
>切換最小斷電時間 :<11 ms+開關時間+用戶整定延時。
出口接點容量
>跳合閘出口可長期接通AC 250V,5A。
>信號出口可長期接通AC 250V,5A。
電磁兼容性
>快速瞬變干擾試驗符合GB/T 14598.10的規定;
>靜電放電試驗符合GB/T 14598.14的規定;
>脈沖群干擾試驗符合GB/T 14598.13的規定;
>幅射電磁場干擾試驗符合GB/T 14598.9的規定;
>工頻磁場抗擾度試驗符合GB/T 17626.8的規定;
>射頻場感應的傳導騷擾抗擾度試驗符合GB/T 17626.6的規定;
>脈沖磁場抗擾度試驗符合GB/T 17626.9的規定;
絕緣耐壓
>絕緣試驗符合GB/T14598.3-93 6.0的規定;
>沖擊電壓試驗符合GB/T14598.3-93 8.0的規定。
環境條件
>工作溫度:-20℃~+55℃。
>儲存溫度:-25℃~+70℃,相對濕度不大于80%,周圍空氣中不含有酸性、堿性或其它腐蝕性及爆炸性氣體的防雨、防雪的室內;在極限值下不施加激勵量,裝置不出現不可逆轉的變化,溫度恢復后,裝置應能正常工作。
>相對濕度:最濕月的月平均最大相對濕度不大于90%,同時該月的月平均最低溫度不低于25℃且表面不凝露。最高溫度為+40℃時,平均最大濕度不超過50%。
>大氣壓力:80kPa~110kPa(相對海拔高度2km 以下)。
故障錄波
>記錄切換起動前2個周波,起動后最長98個周波,最多32組錄波數據。錄波數據格式滿足COMTRADE99標準。
2、DCM621KH 再起式電機抗晃儀
基本參數
>系統功耗: 1W
>安裝方式: 磁吸式
>外型尺寸: 64mm*47mm*96mm(寬*高*深)
>產品凈重: 約300克
>適用電壓 : AC220V(可定制)
>起動節點容量: 常開,5A 440Vac/300Vdc
>RUN信號容量:常開,超時返回,5A 250Vac/30Vdc
>最大晃電時間:0-9s可調,步進1S,0時模塊退出。
>再起延時:0-1S 連續可調,步進0.1S。
>適用回路:直接起動、變頻器、軟起動
功能特點
>起動電機自動待機,手動停車自動放電;
>磁吸安裝,可靠靈活;
>接插端子,維護便捷;
>脈沖起動,節能可靠;
>晃電時間最長達10S,且易修改;
>再起動延時可修改,利于分批多電機環境;
>電壓波動未引起接觸器釋放,不會對抗晃模塊產生影響。
3、 MSpower低電壓穿越裝置

圖8
功能特點
>模塊化設計,方便安裝維護調試;
>快速切換,電網電壓跌落80%時,依然可提供30s的延時支撐;
>可以擴展外部聯鎖控制,提高系統安全性;
>系統獨立模塊自檢,長期實現免維護運行;
>大型工業觸摸屏顯示,系統運行工況直觀詳盡;
>通訊功能支持RS485,以太網,輕松實現DCS系統互聯;
五、快切系統功能詳述
1、切換功能
其接線端子參見下圖,該系統由兩進線構成,正常運行時由進線一為整段母線供電,進線二為備用供電。
起動方式:手動、保護、失壓、誤跳、無流、逆功率、頻壓起動切換
工作過程:跳1QF合2QF、跳2QF合1QF。

圖9
2、輔助功能
智能合閘測時
裝置設置了高精度開關合閘測時功能,可準確測出裝置在發合閘命令到收到開關已合閘信號的時間,包括開關合閘時間及合閘回路上的電氣時間。若5秒內,未檢測到開關閉合,則此記錄數據為無效數據。進線方式時測量進線一低開關和進線二低開關合閘時間;母聯方式時測量進線一低開關、進線二低開關及母聯開關合閘時間,每個開關記錄最近的六次時間值。
閉鎖功能
以下閉鎖屬于自復歸閉鎖:
>開關位置異常閉鎖,進線電流大于無流定值,而相應開關為跳位,延時10s報警
>后備失電閉鎖,進線電流大于無流定值,后備電源小于“后備失壓電壓定值”且“后備電源失電閉鎖”投入,裝置閉鎖。
>功能未投入閉鎖,“切換投退”未投入;起動方式全未投入;切換方式全未投入;
滿足以上任一條件時,裝置閉鎖。
>出口閉鎖,試驗時通過該信號閉鎖裝置, 332端子有信號輸入時裝置出口閉鎖,信號解除閉鎖消失。
>PT斷線閉鎖,“PT斷線投退”投入,母線PT斷線時,通過“失壓檢進線無壓”控制字選擇,檢進線和母線無壓或者檢進線無流和母線無壓閉鎖切換,或者通過母線負序電壓閉鎖切換,故障解除閉鎖返回。
>母線PT檢修閉鎖,檢修時用于手動閉鎖裝置, 337端子有信號輸入時裝置出口閉鎖,信號解除閉鎖消失。
以下閉鎖屬于手動復歸閉鎖:
>保護閉鎖一、保護閉鎖二,本側裝設有保護閉鎖接入時,發生保護動作信號用來閉鎖切換,信號解除需手動復歸,閉鎖返回。
>過流切換閉鎖,無本側保護閉鎖接入時,當母線及出線故障時,用于識別區內故障閉鎖切換。當電流為正方向(從進線流向母線)且電流值大于“方向過流閉鎖值”時,裝置閉鎖切換并報警(此功能必須接入進線三相電流)。
>切換閉鎖,332端子有切換閉鎖信號時,裝置閉鎖,信號解除需手動復歸,閉鎖返回。
有以上任一情況發生時,裝置閉鎖,點亮面板“閉鎖”燈、出口215-216閉合。
告警功能
>自檢告警,裝置運行中實時自檢,自檢故障時,發出裝置故障信號(209、210閉合),同時閉鎖切換和保護功能。自檢故障包括:RAM、EPROM、出口故障、定值出錯和電源故障。
當檢測到下列狀況時,發出報警信號(211、212閉合):
>逆功率告警,進線三相電流中任一相大于0.1A且功率反向,固定延時10ms后,裝置報警并記錄。(只報警,不會起動或閉鎖切換,此時母線電壓小于逆功率電壓門檻才可能起動切換)。本功能主要用來核對現場接線以及監視電網電壓波動,提供事故分析素材。
>失壓告警,當檢測到工作母線電壓低于有壓定值時,固定延時20ms后,裝置告警并記錄。(只報警,不會起動或閉鎖切換)。本功能主要用來監視電網電壓波動,提供事故分析素材。
>內部測頻故障(電壓大于15%,頻率小于30Hz或者大于65Hz,固定延時10s報警)
>有以上任一情況發生時,裝置告警,點亮面板“告警”燈、出口211-212閉合。告警狀況解除自動返回,無需復歸。
其它功能
>起動后加速功能
在切換過程中,若某進線合閘,則同時輸出一對后加速接點,用于起動該進線的后加速功能,此節點切換完成后返回。
>快切裝置電源消失
裝置提供一對常開常閉節點用于電源消失信號,若裝置電源消失,則打開207-208常閉節點,閉合207-206常開節點,電源恢復后,節點返回。
>去耦合功能
為避免兩個電源長時并列運行,在切換過程中“去耦合延時”時間內該合上的開關已合但該跳開的開關未跳開,快切裝置將執行去耦合功能,跳開剛合上的開關。
>低壓減載功能(選配)
受變壓器容量限制,母聯方式運行時(母聯在合位),根據電壓滑差、欠壓及過流起動減載功能,跳開非重要負載,保障系統的連續可靠運行
3、快切過程
切換流程框圖
DCM635電源無擾動快速切換裝置提供七種起動方式。手動起動時支持并聯、同時和串聯。誤跳支持串聯,其他五種起動方式支持串聯、同時 切換方式。并聯切換方式只有快速切換實現方式,串聯和同時支持快速、同捕、殘壓和長延時四種切換實現方式。
起動方式

DCM635G電源無擾動快速切換裝置提供手動起動、保護起動、失壓起動、逆功率起動、無流起動、頻壓起動和誤跳起動方式,共七種方式。
>手動起動。手動起動方式主要用于系統倒閘、進線檢修以及故障后進線恢復,由手動按鈕通過開入量觸發切換功能。裝置的手動起動針對母聯運行方式和進線運行方式設置針對的切換邏輯,進線方式時,手動起動能夠實現1進線和2進線之間的互相切換。母聯方式時分別通過“手動起動一”起動1進線和母聯的切換,“手動起動二”起動2進線和母聯的切換。
>保護起動。將電源側上一級快速主保護接點引入到快切裝置中起動切換,系統充電完成后正常運行,一旦檢測到上一級主保護動作信號,快切裝置立即起動切換,斷開故障線路,投入備用電源
>誤跳起動。系統充電完成后正常運行時,處于合位的開關突然跳開且該側進線電流小于無流定值,則裝置起動誤跳切換,合上另一側電源以保證母線供電。
>失壓起動。裝置提供失壓檢進線電壓和失壓檢進線電流兩種判據供用戶選擇,并通過“失壓檢進線無壓”控制字來進行選擇。當“失壓檢進線無壓”控制字為1時,如果裝置檢測到母線三相電壓與進線電壓均低于失壓起動整定值,則經整定延時裝置起動切換功能。當“失壓檢進線無壓”控制字為0時,當檢測到母線三相電壓均低于失壓起動整定值且進線無流,經整定延時裝置起動切換功能。此起動方式可通過定值中控制字投退。失壓起動邏輯如下:

>無流起動。當裝置檢測到進線電流從有流(大于無流起動整定值)到無流(小于無流起動整定值),且母線頻率小于無流起動頻率定值時,裝置經整定延時起動切換功能。無流起動方式主要用于進線本側保護無法接入到裝置的工況。其邏輯如下:

>逆功率起動。當無進線快速保護接點起動裝置切換時,用此起動判據可實現故障情況下的快速切換。邏輯如下:

>頻壓起動。頻壓起動主要用于進線電流很小,進線電源因各種原因消失后,工作負荷孤網運行,母線的頻率會偏離工頻,此時無流起動和逆功率起動不適合,其邏輯圖如下。
